Retrosektor
O klubie
Najnowsze wydarzeniaMajówka z PRL
Artykuły
Model sprzed pół wieku część III – żniwiarka Dodano dnia: 18/04/2009
Druga część artykułu poświęcona była modelowi pługa z przed 50 lat Dziś w ostatnim odcinku opisany zostanie moim zdaniem najciekawszy model: żniwiarka „łobogrejka”.
Poczciwa „łobogrejka” – jak ze względu na ciężką pracę obsługi nazywają w Związku Radzieckim opisaną przez nas kosiarko – żniwiarkę, dzięki swojej pracy odznacza się wielką pewnością w pracy – a to w czasie żniw kiedy dosłownie każda minuta jest droga ma ogromne znaczenie.

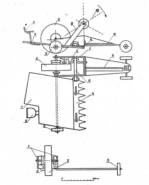
Model żniwiarki „ łobogrejka”
1-rama, 2- koło jezdne, 3-kółko podporowe, 4-przyrząd tnący (zwróćcie uwagę na sposób umocowania listwy ruchomej) listwę nieruchomą lutujemy do pomostu, 5-mechanizm napędzający przyrząd tnący, 6-łącznik, 7-pomosty wykonany z blachy ( lutujemy go do osi łączącej koło jezdne z kółkiem podporowym), 8- siodełko obsługi, 9-rama motowidła, 10 –motowidło, 11-przodek
„Szczegóły budowy modelu żniwiarki „łobogrejki” są widoczne na rysunkach – elementy ruchome stanowią w nim 1) koło terenowe-jezdne, z mechanizmem napędzającym, 2) listwa z nożykami przesuwanymi tam i z powrotem. (zobaczcie na żniwiarkach, które znajdziecie w POM-ie, o ile ząbków przesuwa się w czasie pracy nóż ruchomy w stosunku do grzebienia nieruchomego, a uważajcie przy tym na palce!) 3) motowidło obarczające się i nagarniające zboże na aparat tnący.


Ogólny widok motowidła
1- oś, 2- kółko pasowe,3- ramiona motowidła, 4-listewki drewniane. Zamiast gwoździków można użyć drutu stosowanego do zszywania zeszytów.
W prawdziwej żniwiarce motowidło można przesuwać wyżej lub niżej, cofnąć w tył lub wysuwać do przodu – zależnie od tego z jakim zbożem mamy do czynienia. W modelu motowidło jest zasadniczo ustawione na stałe, ale jeśli zadacie sobie trudu, możecie je zrobić przestawiane. Pomyślcie sami, jak to wykonać.

Szczegóły mechanizmu napędzającego przyrząd tnący i motowidło:
1-rama,2-oś koła jezdnego,3-koło jezdne, 4-kółko wykonane ze sztywnej gumy, toczące się po tarczy wlutowanej wewnątrz wieńca koła jezdnego, 5-wykorbiona oś kółka, 6- łącznik uruchamiający przyrząd tnący, 7-kółko pasowe do napędu motowidła( wykonane z drewna), 8-kółko pasowe motowidła, 9- zagięte końce gwoździków, którymi kółko przymocowane jest do podkładki metalowej. Zwróćcie uwagę, by korbowód nie miał luzów w miejscach zmocowania z łącznikiem.
Aparat tnący i motowidło otrzymują w prawdziwej maszynie napęd od koła terenowego za pomocą kół zębatych.

Szczegóły budowy koła jezdnego
1-wieniec, 2-tarcza,3-rama, 4-oś koła jezdnego,5-podkładka przylutowana do osi, 6-podkładka luźno nałożona na oś, 7-sprężynka rozpierająca, 8-gwoździki, którymi jest przybite do koła jezdnego kółko służące do napędu motowidła, 9-wykrój w ramie, przez który przechodzi łącznik uruchamiający przyrząd tnący. Koło i oś można wykonać z drewna i obciągnąć je obrączką z gumy.
Jeśli uda wam się zdobyć takie kółka, na przykład ze starych nakręcanych zabawek, to możecie zastosować podobne urządzenie; jeśli kółek zębatych nie macie, zastosujcie napęd motowidła za pomocą cienkich gumek lub nawet nici, napęd noży zaś za pomocą koła ciernego”

Szczegóły budowy urządzenia uruchamiającego przyrząd tnący:
1-kółko ze sztywnej gumy, 2- oś kołka z wykorbieniem, 3-podkładka metalowa przylutowana do osi. Kółko z gumy nasunięte na oś przymocowujemy do tej podkładki dwoma gwoździkami. 4- łepki gwoździ mocujących.

Budowa przodka:
1-przednia oś zwrotna,2-rama przodka lutowana z blaszek, 3-siodełko obsługi
Rafał Mazur