C355 - intalacja hamulcowa

Wszystko o naszych Ursusach
bastolino
Posty: 53
Rejestracja: 05 sty 2024, 14:18
Lokalizacja: Powałki

C355 - intalacja hamulcowa

Post autor: bastolino »

Dzień dobry,

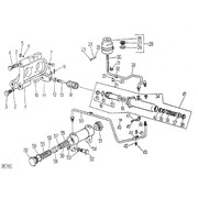
Czy pompy hamulcowe w c355, przy wyrównywaczu takim dodatkowym, są identyczne? Czy istnieje jakiś schemat z tym dodatkowym wyrównywaczem bo standardowy katalog zawiera pompkę krótką i pompkę już wyrównywaczem? U mnie był jakiś przeszczep bo miałem przełącznik prawo-lewo pod siedzeniem i dodatkowo dwa pedały hamulca.
Awatar użytkownika
qkohe155
Posty: 218
Rejestracja: 27 mar 2025, 22:29
Lokalizacja: płd Wlkp
Kontakt:

Re: C355 - intalacja hamulcowa

Post autor: qkohe155 »

Tak - są identyczne. W katalogu normalnie powinno być, bo te nowe katalogi są do C-355, C-355M i C-360. Gorzej by było jakbyś chciał schemat do C-4011, ale tam chyba najprościej...
Awatar użytkownika
Damian88
Posty: 273
Rejestracja: 23 lis 2022, 15:19
Lokalizacja: Witkowo

Re: C355 - intalacja hamulcowa

Post autor: Damian88 »

Obrazek
Ursus C-355M 1975, Zetor 6945 1982
ODPOWIEDZ